GB/T 17758-2023《单元式空气调节机》新版国标将于2024年6月1日起实施

    文章来源:本站 发布时间:2024-02-26 阅读次数:

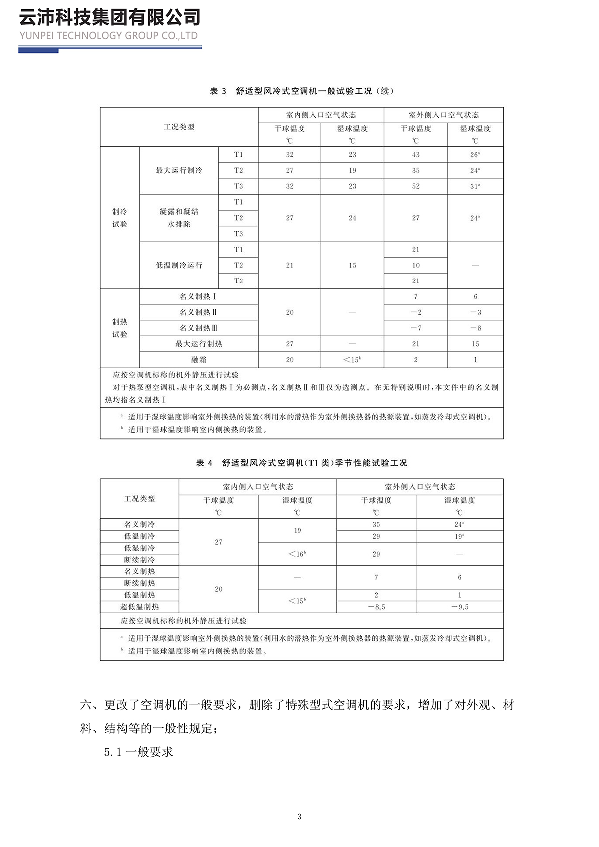
    17758-2023单元式空气调节机_页面_03.jpg

    • 服务热线:
      4008-018-027
    • 邮箱:
      wgy@hbrmc.com
    • 地址:
      武汉市洪山区华中科技大学WISCO联合实验室
    版权所有:金年会科技集团有限公司
    鄂ICP备19017611号-1
    鄂公网安备42070002000009号
    客服微信
    电话: 13910607759
    地址: 武汉东湖新技术开发区光谷大道58号
    版权所有:金年会科技集团有限公司
    鄂ICP备19017611号-1
    鄂公网安备42070002000009号
    QQ在线咨询
    24小时服务热线
    4008-018-027
    微信客服